
Convoyeur à raclettes RMC Lift
1. Transport de grains digérés, de ciment et de produits chimiques.
2. Transport de poudres sèches et de matériaux granulaires (humidité≤10%).
3. Inclinaison : 30 ° ≤a≤ 90 °.
4. Hauteur de levage maximale : 30 mètres.





Modèle | RMC20 | RMC25 | RMC32 | RMC40 | RMC50 | RMC63 | |
solt( MM ) | 200 | 250 | 315 | 400 | 500 | 630 | |
chargement profondeur (MM) | 200 | 250 | 315 | 400 | 500 | 500 | |
capacité (T/H ) | 10-20 | 16-32 | 32-64 | 55-140 | 110-220 | 175-350 | |
chaînes | modèle | 3002H | 3002H | 3002H/3003H | 3003H | 3003H | |
charge admissible (KN) | 40,1 | 40,1 | 40,1/90 | 40,1/90 | 90 | 90 | |
poids(KG/M) | 16,1 | 26,6 | 32,5/37,8 | 40,9/46,3 | 55,8 | 58,4 | |
vitesse(M/S ) | 0,16-0,32 | 0,16-0,32 | 0,2-0,4 | 0,2-0,5 | 0,25-0,5 | 0,2-0,63 |
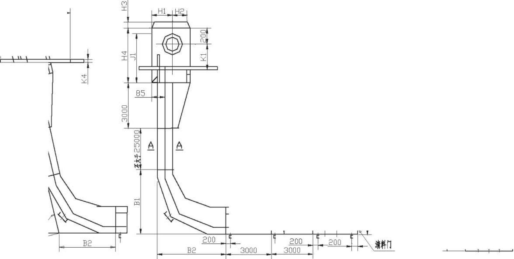
modèle | tête | Section verticale milieu | Section de pliage | sous-partie section horizontale | Queue | |||||||||||||||
H1 | H2 | H3 | H4 | Φ D | S1 | S2 | S3 | V1 | V2 | V3 | B1 | B2 | M1 | M2 | M3 | T1 | T2 | T3 | T4 | |
RMC20 | 350 | 350 | 150 | 926 | 75/90 | 448,5/447,5 | 340/370 | 551/580 | 200 | 300 | 413 | 1820 | 1670 | 200 | 312 | 561 | 561 | 1070 | 1805 | 556 |
RMC25 | 397 | 397 | 200 | 1126 | 75/90 | 491/520 | 382/412 | 593/622 | 250 | 350 | 513 | 1820 | 1670 | 250 | 362 | 661 | 661 | 1070 | 1805 | 606 |
RMC32 | 451 | 451 | 250 | 1326 | 90/115 | 545/600 | 437/477 | 647/727 | 315 | 435 | 643 | 2120 | 2000 | 315 | 427 | 771 | 771 | 1070 | 1805 | 671 |
RMC40 | 538 | 538 | 350 | 1526 | 90/115 | 600/655 | 492/532 | 702/782 | 400 | 520 | 815 | 2350 | 2200 | 400 | 512 | 961 | 961 | 1070 | 1805 | 756 |
RMC50 | 656 | 656 | 455 | 1726 | 90/115 | 655/710 | 547/587 | 757/837 | 500 | 620 | 1015 | 2600 | 2450 | 500 | 612 | 1196 | 1196 | 1240 | 2105 | 864 |
RMC63 | 656 | 656 | 455 | 1726 | 90/115 | 720/755 | 612/652 | 822/902 | 630 | 750 | 1017 | 2600 | 2450 | 630 | 742 | 1196 | 1196 | 1240 | 2105 | 986 |