
Convoyeur à raclettes étanche et antidéflagrant de type RMCF spécial
-
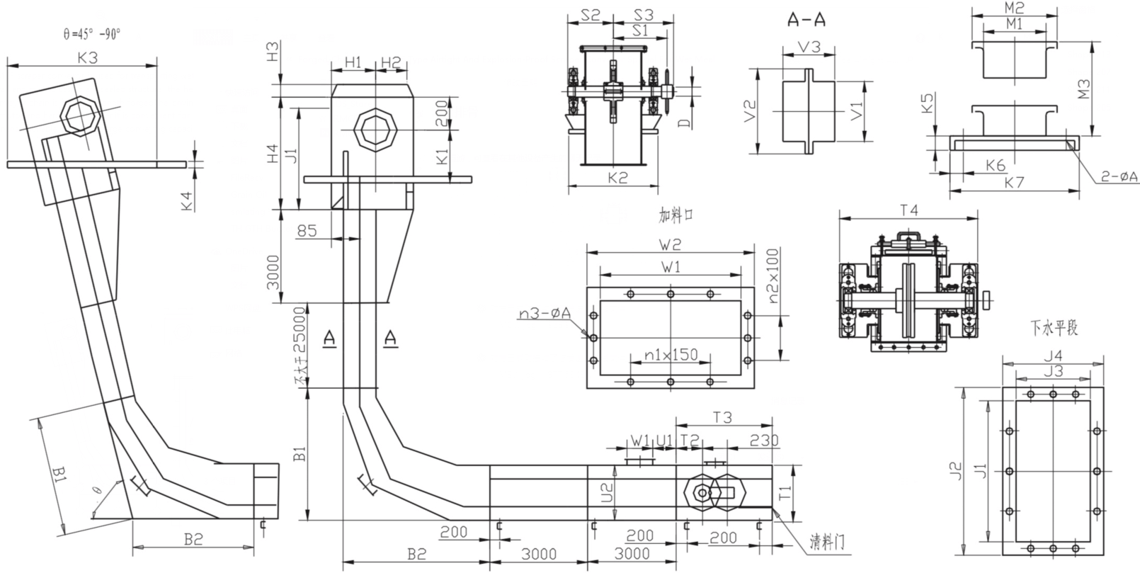
Le convoyeur à raclettes RMCF est utilisé pour transporter la pulpe humide dans l'usine d'huile. La tête, la queue et le boîtier central sont des structures étanches, la tête est équipée d'un port de décharge, la chaîne de convoyeur est forgée à haute résistance, le dispositif d'entraînement utilise un moteur antidéflagrant et un réducteur à engrenages durs, il est pratique pour l'installation et la maintenance, fiable en fonctionnement, grande capacité de transport et longue durée de vie.




Modèle |
RMCF20 |
RMCF25 |
RMCF32 |
RMCF40 |
RMCF50 |
RMCF63 |
|
Largeur de fente (MM) |
200 |
250 |
315 |
400 |
500 |
630 |
|
Chargement de profondeur (MM) |
200 |
250 |
315 |
400 |
500 |
500 |
|
Capacité (M³/H) |
10 août |
16-32 |
32-64 |
55-140 |
110-220 |
175-350 |
|
Chiains forscraper |
modèle |
3002H |
3002H |
3002H/3003H |
3003H |
3003H |
|
charge admissible(KN ) |
40,1 |
40,1 |
40,1/90 |
40,1/90 |
90 |
90 |
|
poids(KG/M ) |
16.1 |
26.6 |
32.5/37.8 |
40.9/46.3 |
55.8 |
58.4 |
|
vitesse(M/S ) |
0.16-0.32 |
0.16-0.32 |
0,2-0,4 |
0,2-0,5 |
0,25-0,5 |
0,2-0,63 |